项目编号:hz-0053
STM32单片机设计简介:
单片机类型:STM32F103C8T6
1、通过DHT11检测鞋柜内温湿度,当温度低于设置最小值,进行加热;当湿度高于设置最大值,进行除湿
2、通过霍尔传感器检鞋柜门状态
3、通过MQ-135检测鞋柜内混合气体(臭气),当混合气体值大于设置最大值时,并且柜门处于关闭状态,启动紫外线消毒灯,同时喷洒香水
4、通过光照检测模块检测光照值,当光照值低于设置最小值时,并且鞋柜门处于打开状态,启动照明灯
5、通过按键可设置各阈值,另外,可通过按键手动控制加热、除湿、消毒、喷洒香水、照明
6、通过OLED显示屏显示数据
7、通过蓝牙模块将测量数据发送到手机端,手机端可设置各阈值,另外,手机端可远程控制加热、除湿、消毒、喷洒香水、照明
实物演示视频:
打开视频声音方法:鼠标放在视频中,点击右下角小喇叭图形即可;视频放大后不清晰,可将鼠标放在视频上,点击“进入哔哩哔哩,观看更高清”
仿真演示视频:
打开视频声音方法:鼠标放在视频中,点击右下角小喇叭图形即可;视频放大后不清晰,可将鼠标放在视频上,点击“进入哔哩哔哩,观看更高清”
电子版资料介绍视频:
打开视频声音方法:鼠标放在视频中,点击右下角小喇叭图形即可;视频放大后不清晰,可将鼠标放在视频上,点击“进入哔哩哔哩,观看更高清”
电子版实物资料预览

实物图
底板:底板在嘉立创进行打板,为绿色PCB板,两层板,厚度1.2,上下覆铜接地。元器件基本上为插针式,个别降压芯片会使用贴片式。
供电接口:TYPE-C

电子版仿真资料预览

仿真图
仿真软件版本:proteus8.17 (本站提供该软件免费下载链接)
电路连线方式:网络标号连线方式
注意:部分实物元器件仿真中没有,仿真中会用其他工作原理相似的元件代替,这样可能导致实物程序和仿真程序不一样

原理图
软件版本:AD2013 (本站提供该软件免费下载链接)
电路连线方式:网络标号连线方式
注意:原理图只是画出了模块的引脚图,而并不是模块的内部结构原理图

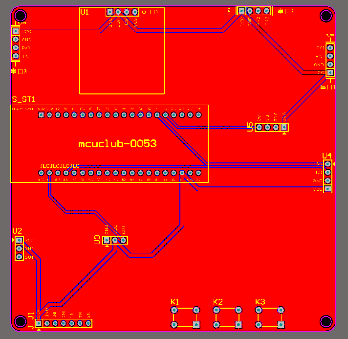
PCB图
软件版本:AD2013 (本站提供该软件免费下载链接)
PCB图是由原理图导出,封装很大一部分都是作者自己绘制,不提供封装库,只提供连接好的源文件,可以直接在嘉立创进行打板。两层板,上下覆铜接地。
注意:PCB图中间有一个项目编号,隐藏在单片机底座下,插入单片机后不会看到。如果想截没有项目编号的PCB图,可在PCB源文件中点击删除。另外,如果想在实物PCB板上加自己的信息(比如日期、学号、姓名等),可联系客服。

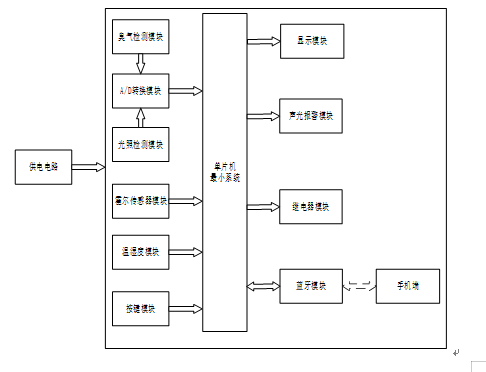
系统框图
绘制软件:VISIO (本站提供该软件免费下载链接)

软件设计流程
绘制软件:VISIO (本站提供该软件免费下载链接)
