项目编号:hz-0169
STM32单片机设计简介:
单片机类型:STM32F103C8T6
1、通过MX1508驱动直流电机模拟跑步机启动
2、通过两个独立按键可调节电机转速,并进行计时,从而获得跑步里程,并计算消耗的卡路里
3、通过心率血氧检测模块检测心率、血氧值,当心率血氧值不在设定的范围内,进行声光报警提醒
4、通过按键可设置心率最大最小值、血氧最小值
5、通过OLED显示屏显示测量数据
6、通过蓝牙模块将测量数据发送到手机端,手机端可设置各阈值,另外,手机端可远程控跑步机速度
实物演示视频:
打开视频声音方法:鼠标放在视频中,点击右下角小喇叭图形即可;视频放大后不清晰,可将鼠标放在视频上,点击“进入哔哩哔哩,观看更高清”
仿真演示视频:
打开视频声音方法:鼠标放在视频中,点击右下角小喇叭图形即可;视频放大后不清晰,可将鼠标放在视频上,点击“进入哔哩哔哩,观看更高清”
电子版资料介绍视频:
打开视频声音方法:鼠标放在视频中,点击右下角小喇叭图形即可;视频放大后不清晰,可将鼠标放在视频上,点击“进入哔哩哔哩,观看更高清”
电子版实物资料预览

实物图
底板:底板在嘉立创进行打板,为绿色PCB板,两层板,厚度1.2,上下覆铜接地。元器件基本上为插针式,个别降压芯片会使用贴片式。
供电接口:TYPE-C

电子版仿真资料预览

仿真图
仿真软件版本:proteus8.17 (本站提供该软件免费下载链接)
电路连线方式:网络标号连线方式
注意:部分实物元器件仿真中没有,仿真中会用其他工作原理相似的元件代替,这样可能导致实物程序和仿真程序不一样

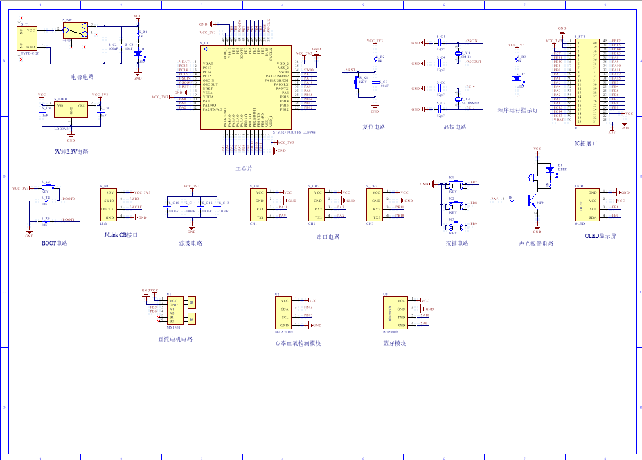
原理图
软件版本:AD2013 (本站提供该软件免费下载链接)
电路连线方式:网络标号连线方式
注意:原理图只是画出了模块的引脚图,而并不是模块的内部结构原理图

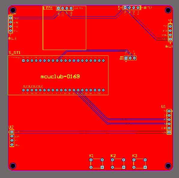
PCB图
软件版本:AD2013 (本站提供该软件免费下载链接)
PCB图是由原理图导出,封装很大一部分都是作者自己绘制,不提供封装库,只提供连接好的源文件,可以直接在嘉立创进行打板。两层板,上下覆铜接地。
注意:PCB图中间有一个项目编号,隐藏在单片机底座下,插入单片机后不会看到。如果想截没有项目编号的PCB图,可在PCB源文件中点击删除。另外,如果想在实物PCB板上加自己的信息(比如日期、学号、姓名等),可联系客服。

系统框图
绘制软件:VISIO (本站提供该软件免费下载链接)

软件设计流程
绘制软件:VISIO (本站提供该软件免费下载链接)
