项目编号:hz-0189
STM32单片机设计简介:
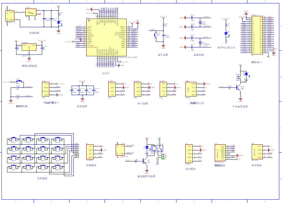
单片机类型:STM32F103C8T6
1、通过4*4的矩阵键盘中的0-9为数字键,*为删除键,#为确定键,A为功能键,B为向上选择键,C为向下选择健,D为功能确认健
2、重置密码过程:管理员密码–>旧密码–>新密码–>再次新密码
3、一键还原:输入管理员密码,直接还原密码123456
4、添加指纹:输入管理员密码,再添加指纹
5、删除指纹:输入管理员密码,再删除指纹
6、添加RFID卡:输入管理员密码,再添加RFID卡
7、删除RFID卡:输入管理员密码,再删除RFID卡
8、通过AT24C02存储密码,实现掉电保存密码
9、当输入密码、指纹、RFID卡总错误次数大于等于5次,进行锁定键盘及指纹模块3分钟,并在前10s内进行声光报警提醒
10、通过继电器控制门磁锁,模拟开门和关门
11、通过OLED显示屏显示输入的密码(*号表示,防止被偷看),另外,输入密码可以前后加入扰乱码,只要包含正确密码即可
12、通过蓝牙模块可手机端直接开关门
实物演示视频:
打开视频声音方法:鼠标放在视频中,点击右下角小喇叭图形即可;视频放大后不清晰,可将鼠标放在视频上,点击“进入哔哩哔哩,观看更高清”
仿真演示视频:
打开视频声音方法:鼠标放在视频中,点击右下角小喇叭图形即可;视频放大后不清晰,可将鼠标放在视频上,点击“进入哔哩哔哩,观看更高清”
电子版资料介绍视频:
打开视频声音方法:鼠标放在视频中,点击右下角小喇叭图形即可;视频放大后不清晰,可将鼠标放在视频上,点击“进入哔哩哔哩,观看更高清”
电子版实物资料预览

实物图
底板:底板在嘉立创进行打板,为绿色PCB板,两层板,厚度1.2,上下覆铜接地。元器件基本上为插针式,个别降压芯片会使用贴片式。
供电接口:TYPE-C

电子版仿真资料预览

仿真图
仿真软件版本:proteus8.17 (本站提供该软件免费下载链接)
电路连线方式:网络标号连线方式
注意:部分实物元器件仿真中没有,仿真中会用其他工作原理相似的元件代替,这样可能导致实物程序和仿真程序不一样

原理图
软件版本:AD2013 (本站提供该软件免费下载链接)
电路连线方式:网络标号连线方式
注意:原理图只是画出了模块的引脚图,而并不是模块的内部结构原理图

PCB图
软件版本:AD2013 (本站提供该软件免费下载链接)
PCB图是由原理图导出,封装很大一部分都是作者自己绘制,不提供封装库,只提供连接好的源文件,可以直接在嘉立创进行打板。两层板,上下覆铜接地。
注意:PCB图中间有一个项目编号,隐藏在单片机底座下,插入单片机后不会看到。如果想截没有项目编号的PCB图,可在PCB源文件中点击删除。另外,如果想在实物PCB板上加自己的信息(比如日期、学号、姓名等),可联系客服。

系统框图
绘制软件:VISIO (本站提供该软件免费下载链接)

软件设计流程
绘制软件:VISIO (本站提供该软件免费下载链接)
