项目编号:mcuclub-fz-337
功能介绍:
单片机类型:STC89C52
功能简介:
1、通过DS18B20监测当前环境的温度;
2、通过烟雾监测模块监测当前环境的烟雾,监测到烟雾大于最大值声光报警,通过GSM进行短信的发送;
3、通过火焰监测模块监测当前是否发生火灾,监测到火焰进行声光报警,通过GSM进行短信的发送;
4、通过人体红外传感器监测当前是否有人,布防监测到人声光报警,通过GSM进行短信的发送;
5、通过霍尔传感器监测当前门的开关,布防监测到门打开,通过GSM进行短信的发送;
6、通过震动监测模块监测门的震动强度,布防监测到震动声光报警,通过GSM进行短信的发送;
7、通过按键设置各阈值;
8、通过显示屏显示数据;
仿真演示视频:
打开视频声音方法:鼠标放在视频中,点击右下角小喇叭图形即可;视频放大后不清晰,可将鼠标放在视频上,点击“进入哔哩哔哩,观看更高清”
电子版仿真资料预览

仿真图
仿真软件版本:proteus8.17 (本站提供该软件免费下载链接)
电路连线方式:网络标号连线方式
注意:部分实物元器件仿真中没有,仿真中会用其他工作原理相似的元件代替,这样可能导致实物程序和仿真程序不一样

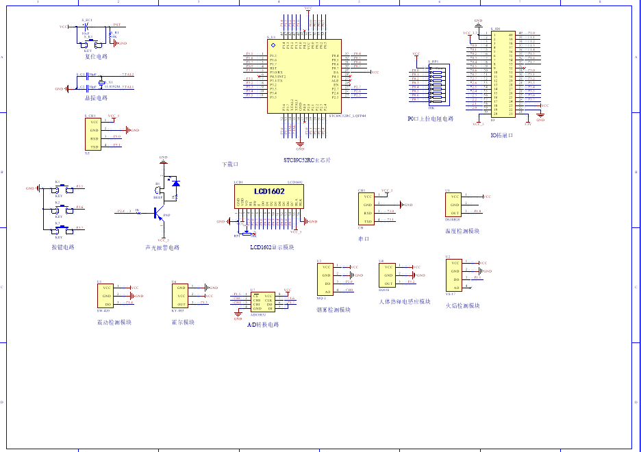
原理图
软件版本:AD2013 (本站提供该软件免费下载链接)
电路连线方式:网络标号连线方式
注意:原理图只是画出了模块的引脚图,而并不是模块的内部结构原理图。另外,仿真资料中不提供PCB源文件,只有实物资料中才有。

系统框图
绘制软件:VISIO (本站提供该软件免费下载链接)

软件设计流程
绘制软件:VISIO (本站提供该软件免费下载链接)

声明:本站所有文章,如无特殊说明或标注,均为本站原创发布。任何个人或组织,在未征得本站同意时,禁止复制、盗用、采集、发布本站内容到任何网站、书籍等各类媒体平台。如若本站内容侵犯了原著者的合法权益,可联系我们进行处理。另外,本站所提供的资源均只能用于学习参考,请勿直接商用或其他方式使用,若由此引起的所有纠纷,一切责任均由使用者承担。