项目编号:mcuclub-fz-347
功能介绍:
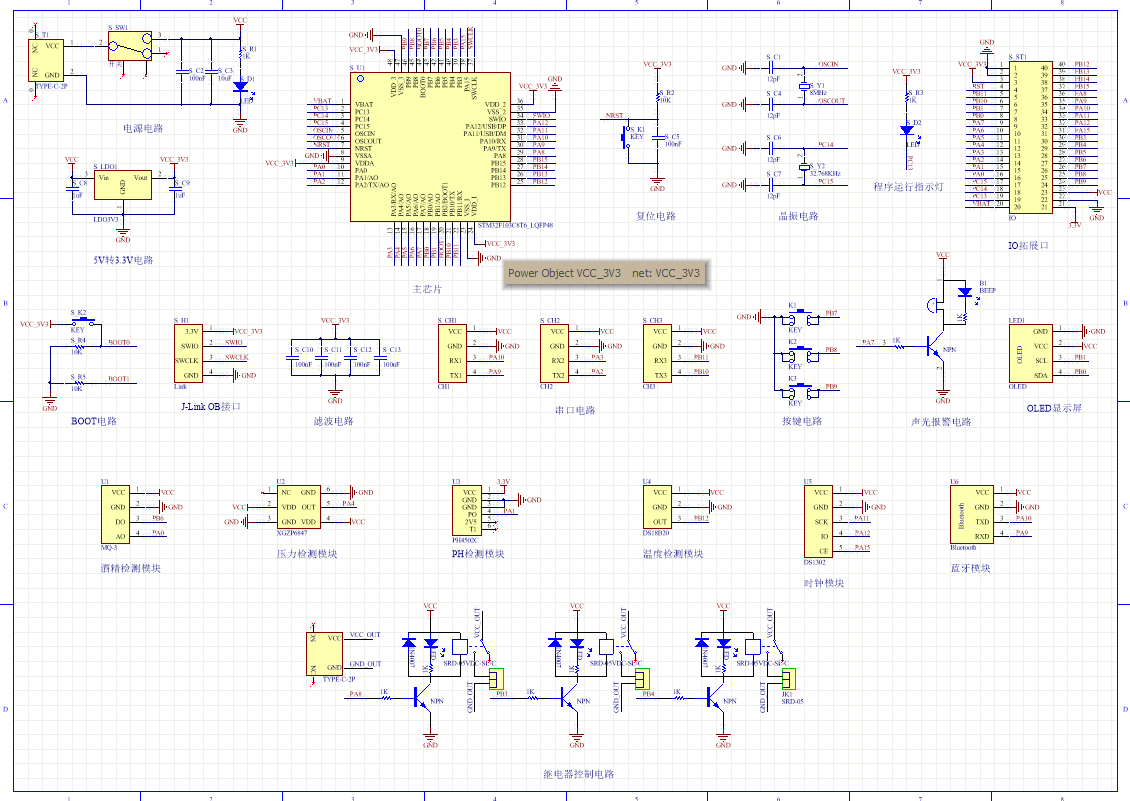
单片机类型:STM32F103C8T6
具体功能:
1、通过STM32内部RTC获取发酵时间。
2、通过MQ-3检测酒精浓度,当酒精浓度大于设置最大值,则声光报警。
3、通过PH模块检测PH值,当PH值不在设置值内,则声光报警。
4、通过防水式DS18B20测量温度,当温度不在设置的上下限值内,进行加热或制冷,并声光报警。
5、通过压力检测传感器监测啤酒发酵罐压力,当压力过高时打开泄压阀门降压,并声光报警。
6、通过按键可修正时间、设置酒精最大值、PH限定值、温度上下限值、压力最大值。
7、通过OLED显示数据。
8、通过蓝牙进行联网,可将所有监测数据发送到手机端,手机端可控制继电器开关。
仿真演示视频:
打开视频声音方法:鼠标放在视频中,点击右下角小喇叭图形即可;视频放大后不清晰,可将鼠标放在视频上,点击“进入哔哩哔哩,观看更高清”
电子版仿真资料预览

仿真图
仿真软件版本:proteus8.17 (本站提供该软件免费下载链接)
电路连线方式:网络标号连线方式
注意:部分实物元器件仿真中没有,仿真中会用其他工作原理相似的元件代替,这样可能导致实物程序和仿真程序不一样

原理图
软件版本:AD2013 (本站提供该软件免费下载链接)
电路连线方式:网络标号连线方式
注意:原理图只是画出了模块的引脚图,而并不是模块的内部结构原理图。另外,仿真资料中不提供PCB源文件,只有实物资料中才有。

系统框图
绘制软件:VISIO (本站提供该软件免费下载链接)

软件设计流程
绘制软件:VISIO (本站提供该软件免费下载链接)

声明:本站所有文章,如无特殊说明或标注,均为本站原创发布。任何个人或组织,在未征得本站同意时,禁止复制、盗用、采集、发布本站内容到任何网站、书籍等各类媒体平台。如若本站内容侵犯了原著者的合法权益,可联系我们进行处理。另外,本站所提供的资源均只能用于学习参考,请勿直接商用或其他方式使用,若由此引起的所有纠纷,一切责任均由使用者承担。