项目编号:hz-0020-9
51单片机设计简介:
单片机类型:STC89C52
1、通过DHT11检测温湿度值,当温湿度值不在设置的范围内,进行声光报警提醒
2、通过MQ-5模块检测可燃气体值,当可燃气体值大于设置最大值时开启风扇和净化器,同时进行声光报警提醒
3、通过MQ-135模块检测苯气体值,当苯气体值大于设置最大值时开启风扇和净化器,同时进行声光报警提醒
4、通过按键设置温湿度上下限值、可燃气体及苯气体最大值,另外,当可燃气体值小于等于设置最大值并且苯气体值小于等于设置最大值时,可手动控制风扇或净化器开关
5、通过LCD1602显示屏显示数据
6、通过蓝牙模块将测量数据发送到手机端,手机端可设置温湿度上下限值、可燃气体及苯气体最大值,另外,当可燃气体值小于等于设置最大值并且苯气体值小于等于设置最大值时,可远程控制风扇或净化器开关
实物演示视频:
打开视频声音方法:鼠标放在视频中,点击右下角小喇叭图形即可;视频放大后不清晰,可将鼠标放在视频上,点击“进入哔哩哔哩,观看更高清”
仿真演示视频:
打开视频声音方法:鼠标放在视频中,点击右下角小喇叭图形即可;视频放大后不清晰,可将鼠标放在视频上,点击“进入哔哩哔哩,观看更高清”
电子版资料介绍视频:
打开视频声音方法:鼠标放在视频中,点击右下角小喇叭图形即可;视频放大后不清晰,可将鼠标放在视频上,点击“进入哔哩哔哩,观看更高清”
电子版实物资料预览

实物图
底板:底板在嘉立创进行打板,为绿色PCB板,两层板,厚度1.2,上下覆铜接地。元器件基本上为插针式,个别降压芯片会使用贴片式。
供电接口:TYPE-C

电子版仿真资料预览

仿真图
仿真软件版本:proteus8.17 (本站提供该软件免费下载链接)
电路连线方式:网络标号连线方式
注意:部分实物元器件仿真中没有,仿真中会用其他工作原理相似的元件代替,这样可能导致实物程序和仿真程序不一样

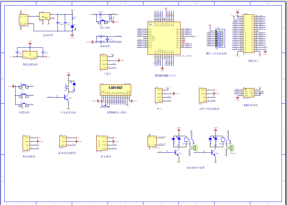
原理图
软件版本:AD2013 (本站提供该软件免费下载链接)
电路连线方式:网络标号连线方式
注意:原理图只是画出了模块的引脚图,而并不是模块的内部结构原理图

PCB图
软件版本:AD2013 (本站提供该软件免费下载链接)
PCB图是由原理图导出,封装很大一部分都是作者自己绘制,不提供封装库,只提供连接好的源文件,可以直接在嘉立创进行打板。两层板,上下覆铜接地。
注意:PCB图中间有一个项目编号,隐藏在单片机底座下,插入单片机后不会看到。如果想截没有项目编号的PCB图,可在PCB源文件中点击删除。另外,如果想在实物PCB板上加自己的信息(比如日期、学号、姓名等),可联系客服。

系统框图
绘制软件:VISIO (本站提供该软件免费下载链接)

软件设计流程
绘制软件:VISIO (本站提供该软件免费下载链接)
