项目编号:hz-0020-12
STM32单片机WIFI版设计简介:
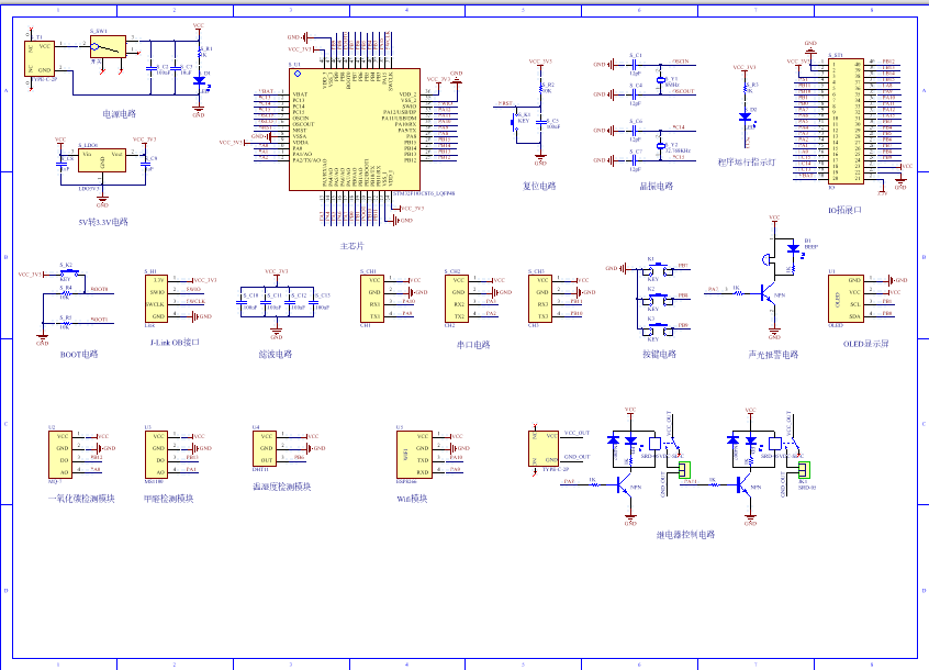
单片机类型:STM32F103C8T6
1、通过DHT11检测温湿度值,当温湿度值不在设置的范围内,进行声光报警提醒
2、通过MQ-7模块检测CO值,当CO值大于设置最大值时开启风扇和净化器,同时进行声光报警提醒
3、通过MS1100模块检测甲醛值,当甲醛值大于设置最大值时开启风扇和净化器,同时进行声光报警提醒
4、通过按键设置温湿度上下限值、CO及甲醛最大值,另外,当CO值小于等于设置最大值并且甲醛值小于等于设置最大值时,可手动控制风扇或净化器开关
5、通过OLED显示屏显示数据
6、通过ESP8266 WIFI模块将测量数据发送到手机端,手机端可设置温湿度上下限值、CO及甲醛最大值,另外,当CO值小于等于设置最大值并且甲醛值小于等于设置最大值时,可远程控制风扇或净化器开关
实物演示视频:
打开视频声音方法:鼠标放在视频中,点击右下角小喇叭图形即可;视频放大后不清晰,可将鼠标放在视频上,点击“进入哔哩哔哩,观看更高清”
仿真演示视频:
打开视频声音方法:鼠标放在视频中,点击右下角小喇叭图形即可;视频放大后不清晰,可将鼠标放在视频上,点击“进入哔哩哔哩,观看更高清”
电子版资料介绍视频:
打开视频声音方法:鼠标放在视频中,点击右下角小喇叭图形即可;视频放大后不清晰,可将鼠标放在视频上,点击“进入哔哩哔哩,观看更高清”
电子版实物资料预览

实物图
底板:底板在嘉立创进行打板,为绿色PCB板,两层板,厚度1.2,上下覆铜接地。元器件基本上为插针式,个别降压芯片会使用贴片式。
供电接口:TYPE-C

电子版仿真资料预览

仿真图
仿真软件版本:proteus8.17 (本站提供该软件免费下载链接)
电路连线方式:网络标号连线方式
注意:部分实物元器件仿真中没有,仿真中会用其他工作原理相似的元件代替,这样可能导致实物程序和仿真程序不一样

原理图
软件版本:AD2013 (本站提供该软件免费下载链接)
电路连线方式:网络标号连线方式
注意:原理图只是画出了模块的引脚图,而并不是模块的内部结构原理图

PCB图
软件版本:AD2013 (本站提供该软件免费下载链接)
PCB图是由原理图导出,封装很大一部分都是作者自己绘制,不提供封装库,只提供连接好的源文件,可以直接在嘉立创进行打板。两层板,上下覆铜接地。
注意:PCB图中间有一个项目编号,隐藏在单片机底座下,插入单片机后不会看到。如果想截没有项目编号的PCB图,可在PCB源文件中点击删除。另外,如果想在实物PCB板上加自己的信息(比如日期、学号、姓名等),可联系客服。

系统框图
绘制软件:VISIO (本站提供该软件免费下载链接)

软件设计流程
绘制软件:VISIO (本站提供该软件免费下载链接)
