项目编号:mcuclub-yq-005
STM32单片机实物设计简介:
单片机类型:STM32F103C8T6
具体功能:
1、可以实现简单的计算器+、-、×、÷、复位的功能;
2、可以实现三角函数及其反三角函数功能;
3、可以实现幂函数的功能;
4、可以设置按键提示音,按键按下同时进行蜂鸣器鸣响一次。
5、通过显示屏显示数据
实物演示视频:
打开视频声音方法:鼠标放在视频中,点击右下角小喇叭图形即可;视频放大后不清晰,可将鼠标放在视频上,点击“进入哔哩哔哩,观看更高清”
电子版资料介绍视频:
打开视频声音方法:鼠标放在视频中,点击右下角小喇叭图形即可;视频放大后不清晰,可将鼠标放在视频上,点击“进入哔哩哔哩,观看更高清”
电子版实物资料预览

实物图
底板:底板在嘉立创进行打板,为绿色PCB板,两层板,厚度1.2,上下覆铜接地。元器件基本上为插针式,个别降压芯片会使用贴片式。
供电接口:TYPE-C

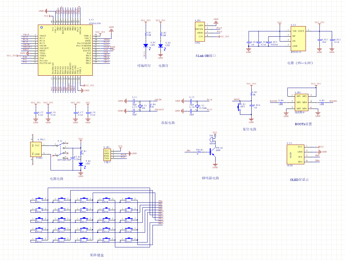
原理图
软件版本:AD2013 (本站提供该软件免费下载链接)
电路连线方式:网络标号连线方式
注意:原理图只是画出了模块的引脚图,而并不是模块的内部结构原理图

PCB图
软件版本:AD2013 (本站提供该软件免费下载链接)
PCB图是由原理图导出,封装很大一部分都是作者自己绘制,不提供封装库,只提供连接好的源文件,可以直接在嘉立创进行打板。两层板,上下覆铜接地。
注意:PCB图中间有一个项目编号,隐藏在单片机底座下,插入单片机后不会看到。如果想截没有项目编号的PCB图,可在PCB源文件中点击删除。另外,如果想在实物PCB板上加自己的信息(比如日期、学号、姓名等),可联系客服。

系统框图
绘制软件:VISIO (本站提供该软件免费下载链接)

软件设计流程
绘制软件:VISIO (本站提供该软件免费下载链接)

开题报告
下图为开题报告整体框架模板,基本上所有项目的开题报告格式都如下所示,但由于部分院校要求不一致,可能有一小部分格式有所变动。

购买后可查看具体内容!
设计说明书
总字数:11000+
摘 要
当今世界,正处于网络数据化时代,数据处理扮演越来越重要的角色,为适应社会发展需求,本课题设计一款智能计算器,对数据的简单计算进行了模拟仿真和实物测试。根据功能对整体电路进行了模块划分和分析,理解了计算器芯片的硬件电路设计方法。通过对计算器各按键指令的分析,理解了软件实现过程,并归纳总结出了整个指令系统的指令表。本文首先在完成计算器的功能模块划分的基础上,对电源模块、时钟模块等电路结构和工作原理进行了分析,掌握了它们的设计方法。分析了键盘扫描和显示输出端口复用的实现过程,并分别对键盘扫描和显示输出相关原理和电路进行了分析。本课题通过对指令代码的分析,掌握了计算器内的四则运算算法,并对幂函数、三角函数、反三角运算的算法进行了探索。通过本课题的研究,对计算器的硬件电路设计和软件编程设计都有了深入的了解,为设计功能更健全的计算器提供了一定的技术积累。
关键词:计算器;OLED;STM32单片机;
Abstract
In today’s world, is in the era of network data, data processing plays an increasingly important role, in order to meet the needs of social development, this topic designed an intelligent computer, the simple calculation of data simulation and physical test. According to the function of the whole circuit module division and analysis, understand the computer chip hardware circuit design method. Through the analysis of each key instruction of the computer, the software realization process is understood, and the instruction table of the whole instruction system is summarized. In this paper, the structure and working principle of the power module, clock module and other circuits are analyzed on the basis of the division of the functional modules of the computer, and their design methods are mastered. The realization process of keyboard scan and display output port multiplexing is analyzed, and the related principles and circuits of keyboard scan and display output are analyzed respectively. This topic through the analysis of the instruction code, master the four arithmetic arithmetic in the calculator, and explore the arithmetic of power function, trigonometric function and anti-trigonometric operation.Through the research of this subject, the hardware circuit design and software programming design of the computer have a deep understanding, for the design of more complete function of the computer provides a certain accumulation of technology.
Keywords: computer; OLED; STM32 MCU
目 录
摘要
Abstract
第一章 绪论
1.1 电子计算器的发展历史
1.1.1 集成电路出现以前
1.1.2 集成电路出现以后的计算器市场之争
1.2 计算器发展现状和研究意义
1.2.1 国外情况
1.2.2 国内情况
1.3 本课题所做工作和研究意义
第二章 系统方案设计
2.1 主要器件方案选择
2.1.1 主控芯片方案选择
2.1.2 显示模块方案选择
2.2 整体系统方案设计
第三章 硬件电路
3.1单片机最小系统
3.1.1 主控模块电路
3.1.2 晶振电路
3.1.3 复位电路
3.1.4 电源电路
3.1.5 下载电路
3.2 显示模块电路
3.3 矩阵键盘模块电路
3.4蜂鸣器报警模块
第四章 软件设计
4.1 编程软件介绍
4.2 系统主流程设计
4.3 矩阵键盘子流程
4.4 OLED显示流程设计
第五章 实物测试
6.1 整体实物测试
6.2 上电运行实物测试
6.3简单计算实物测试
总结
致谢
参考文献
附录
附录A: 原理图
附录B:PCB
附录C:主程序
购买后可查看具体内容!
答辩PPT
下图为答辩PPT整体框架模板,基本上所有项目的答辩PPT格式都如下所示,但由于部分院校要求不一致,可能有一小部分格式有所变动。

购买后可查看具体内容!