项目编号:mcuclub-cl-008
51单片机实物设计简介:
单片机类型:STC89C52
具体功能:
1、通过DS1302获取时间,并判断此时是白天时间还是夜间时间,白天时间是凌晨6点到晚上22点,单价是2.5元/公里,3公里以内是起步价8元,夜间是晚上22点到凌晨6点,单价是3元/公里,3公里以内是起步价10元。停车时间内,每1分钟加收1块钱。不满1分钟不收费。
2、通过电机驱动模块驱动直流电机,模拟车轮,并通过红外对管进行测速,当速度值超过设置最大值,进行语音提醒
3、通过按键可查看一天的总单量、总里程、总金额,并可以清除记录
4、通过按键可修改时间、设置最大值速度值、设置各价格
5、通过按键,可语音提醒乘客系好安全带、目的地已到等
6、通过显示屏显示时间、速度、总公里、单价、总金额等
扩展功能:结账时,通过蓝牙模块将数据发送到手机端(此单里程、金额),可手机查看总单量、总里程、总金额、清除记录等
实物演示视频:
打开视频声音方法:鼠标放在视频中,点击右下角小喇叭图形即可;视频放大后不清晰,可将鼠标放在视频上,点击“进入哔哩哔哩,观看更高清”
仿真演示视频:
打开视频声音方法:鼠标放在视频中,点击右下角小喇叭图形即可;视频放大后不清晰,可将鼠标放在视频上,点击“进入哔哩哔哩,观看更高清”
电子版资料介绍视频:
打开视频声音方法:鼠标放在视频中,点击右下角小喇叭图形即可;视频放大后不清晰,可将鼠标放在视频上,点击“进入哔哩哔哩,观看更高清”
电子版实物资料预览

实物图
底板:底板在嘉立创进行打板,为绿色PCB板,两层板,厚度1.2,上下覆铜接地。元器件基本上为插针式,个别降压芯片会使用贴片式。
供电接口:TYPE-C

电子版仿真资料预览

仿真图
仿真软件版本:proteus8.17 (本站提供该软件免费下载链接)
电路连线方式:网络标号连线方式
注意:部分实物元器件仿真中没有,仿真中会用其他工作原理相似的元件代替,这样可能导致实物程序和仿真程序不一样

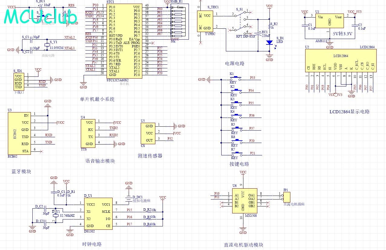
原理图
软件版本:AD2013 (本站提供该软件免费下载链接)
电路连线方式:网络标号连线方式
注意:原理图只是画出了模块的引脚图,而并不是模块的内部结构原理图

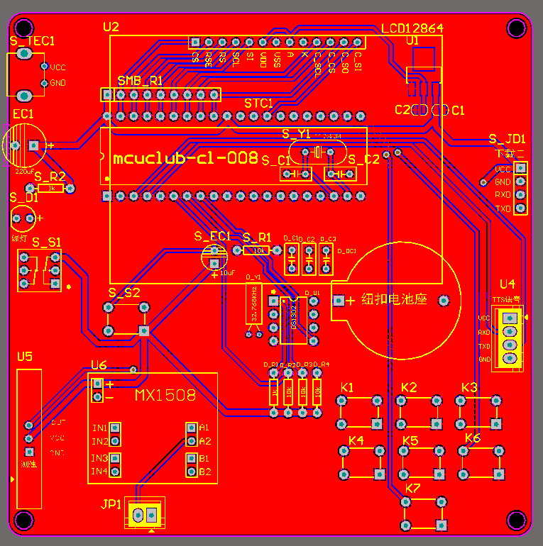
PCB图
软件版本:AD2013 (本站提供该软件免费下载链接)
PCB图是由原理图导出,封装很大一部分都是作者自己绘制,不提供封装库,只提供连接好的源文件,可以直接在嘉立创进行打板。两层板,上下覆铜接地。
注意:PCB图中间有一个项目编号,隐藏在单片机底座下,插入单片机后不会看到。如果想截没有项目编号的PCB图,可在PCB源文件中点击删除。另外,如果想在实物PCB板上加自己的信息(比如日期、学号、姓名等),可联系客服。

系统框图
绘制软件:VISIO (本站提供该软件免费下载链接)

软件设计流程
绘制软件:VISIO (本站提供该软件免费下载链接)

开题报告
下图为开题报告整体框架模板,基本上所有项目的开题报告格式都如下所示,但由于部分院校要求不一致,可能有一小部分格式有所变动。

购买后可查看具体内容!
设计说明书
总字数:14000+
摘 要
伴随着社会的不断的发展,然后人们的生活水平也不断提高。近年来人们出行也主要通过采用出租车进行出行,而目前的出租车也存在很多的问题,收费价格不清楚,使得出租车司机和乘客之间经常出现纠纷。此次设计通过选择采用单片机作为主控芯片设计一款较为智能的出租车计价器,此次设计解决了夜晚和白天收费不一样的问题,此次设计有两种模式,白天和夜晚,白天的起步价为8元,超过3公里为每公里2.5元/公里,在顾客到达的时候,司机按下暂停的时候,停止计价,在顾客进行下车后可以进行清零,然后下一位顾客上车的时候重新开始。在夜晚的时候其起步价为10元每公里,超过3公里之后每公里3元。此次设计通过软件和硬件进行结合,最终可以解决目前出租车乱收费的问题,并且出租车司机可以查看当前的总单量、总里程、总金额,也可以删除记录,也可以通过按键提醒乘客系好安全带和提醒用户目的地已经到达,而且此次设计稳定性也较强,设备的成本较低,可靠性也较强。
关键词 出租车 计价器 单片机、语言提醒、夜间模式、白天模式
Abstract
With the continuous development of society, then people’s living standards are also improving. In recent years, people mainly travel by taxi, and there are many problems in the current taxi, the price is not clear, so that there are often disputes between taxi drivers and passengers.This design by selecting the single-chip microcomputer as main control chip was adopted to design a more intelligent meter taxi, this design solved the problem of the night and day charge is different, the design has two modes, day and night, daytime fare for 8 yuan, more than 3 km of 2.5 kilometers per kilometer per, the arrival of the customer, When the driver presses the pause button, the fare is stopped, cleared after the customer gets off, and then restarted when the next customer gets on the bus. It starts at 10 yuan per kilometer at night and 3 yuan per kilometer after 3 kilometers. This design through the combination of software and hardware, finally can solve the problem of the cab to collect fees in disorder, and taxi drivers can view the current total amount, total mileage, total amount, also can delete records, can also through the buttons to remind passengers to fasten your seat belt and remind user has reached the destination, and the design has strong stability, lower the cost of the equipment, Reliability is also strong.
Keywords taxi meter MCU, language reminder, night mode, day mode
目 录
摘 要
Abstract
第一章 设计概述
1.1 研究背景及其意义
1.2 国内外研究现状
1.3 此次设计实现的功能
第二章 系统设计方案
2.1 系统设计方案
2.2 主要元器件选择
2.2.1 主控芯片方案
2.2.2 显示模块方案
2.2.3 按键模块方案选择
第三章 硬件设计
3.1 主控模块电路
3.2 电机驱动模块电路
3.3 语音输出模块电路
3.4 显示模块电路
3.5测速模块(74HC14D)
3.6 按键模块
3.7 时钟模块电路
3.8蓝牙(ECB02)
第四章 系统程序设计
4.1 编程软件介绍
4.2 系统主流程设计
4.3 独立按键
4.4 直流电机-MX1508驱动模块子流程
4.5 PWM子流程
4.6 时钟模块子流程
4.7 蓝牙模块子流程
第五章 仿真测试
5.1 整体仿真图
5.2 上电仿真测试
5.3 白天出租车计价仿真测试
5.4 时间、速度设置仿真测试
5.5 查看订单仿真测试
5.6 语音播报仿真测试
第六章 实物测试
6.1 整体实物图
6.2 上电实物测试
6.3 白天出租车计价实物测试
6.4 时间、速度设置实物测试
6.5 查看订单实物测试
第六章 总结与展望
参考文献
附录
附录一:原理图
附录二:PCB
附录三:主程序
购买后可查看具体内容!
答辩PPT
下图为答辩PPT整体框架模板,基本上所有项目的答辩PPT格式都如下所示,但由于部分院校要求不一致,可能有一小部分格式有所变动。

购买后可查看具体内容!