项目编号:mcuclub-cl-023
51单片机实物设计简介:
单片机类型:STC89C52
具体功能:
1、通过DHT11检测温湿度
2、通过MQ-135检测有害气体浓度
3、通过人体热释电检测是否有人,如果有人,若有害气体浓度大于设置最大值,则声光报警,并自动开启通风系统
4、通过按键设置有害气浓度最大值、手动控制通风
5、通过显示屏显示测量数据
扩展功能:通过蓝牙,将数据发送到手机端,并可远程控制通风
实物演示视频:
打开视频声音方法:鼠标放在视频中,点击右下角小喇叭图形即可;视频放大后不清晰,可将鼠标放在视频上,点击“进入哔哩哔哩,观看更高清”
仿真演示视频:
打开视频声音方法:鼠标放在视频中,点击右下角小喇叭图形即可;视频放大后不清晰,可将鼠标放在视频上,点击“进入哔哩哔哩,观看更高清”
电子版资料介绍视频:
打开视频声音方法:鼠标放在视频中,点击右下角小喇叭图形即可;视频放大后不清晰,可将鼠标放在视频上,点击“进入哔哩哔哩,观看更高清”
电子版实物资料预览

实物图
底板:底板在嘉立创进行打板,为绿色PCB板,两层板,厚度1.2,上下覆铜接地。元器件基本上为插针式,个别降压芯片会使用贴片式。
供电接口:TYPE-C

电子版仿真资料预览

仿真图
仿真软件版本:proteus8.17 (本站提供该软件免费下载链接)
电路连线方式:网络标号连线方式
注意:部分实物元器件仿真中没有,仿真中会用其他工作原理相似的元件代替,这样可能导致实物程序和仿真程序不一样

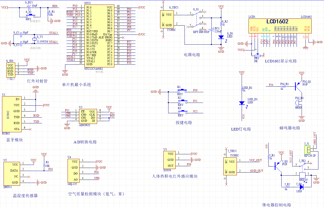
原理图
软件版本:AD2013 (本站提供该软件免费下载链接)
电路连线方式:网络标号连线方式
注意:原理图只是画出了模块的引脚图,而并不是模块的内部结构原理图

PCB图
软件版本:AD2013 (本站提供该软件免费下载链接)
PCB图是由原理图导出,封装很大一部分都是作者自己绘制,不提供封装库,只提供连接好的源文件,可以直接在嘉立创进行打板。两层板,上下覆铜接地。
注意:PCB图中间有一个项目编号,隐藏在单片机底座下,插入单片机后不会看到。如果想截没有项目编号的PCB图,可在PCB源文件中点击删除。另外,如果想在实物PCB板上加自己的信息(比如日期、学号、姓名等),可联系客服。

系统框图
绘制软件:VISIO (本站提供该软件免费下载链接)

软件设计流程
绘制软件:VISIO (本站提供该软件免费下载链接)

开题报告
下图为开题报告整体框架模板,基本上所有项目的开题报告格式都如下所示,但由于部分院校要求不一致,可能有一小部分格式有所变动。

购买后可查看具体内容!
设计说明书
总字数:16000+
摘 要
汽车在为人们的出行提供了无限便捷的同时,也给人们的身体健康带来一定危害。汽车常因各种原因使得车内环境受到不同程度的污染,如车辆内饰材料和零部件异味污染,车内抽烟所产生的烟雾污染、车外尾气进入车内造成的排气污染等等。当车中CO、CO2、氮氧化合物及硫化物、PM2.5浓度等有害物质浓度达到一定浓度时,会引起人体思维能力减退、头痛、反应迟钝,不仅危害健康,还会带来交通事故隐患。因此研究并控制车内环境对保障绿色健康出行显得尤为重要。目前国内针对车内环境监测的研究主要侧重车内污染物的监测,却忽视了在监测车内环境的同时,综合考虑车外环境的监测与比对。即当前对汽车内环境的检测与外环境的检测以及车内外环境协调控制的研究相对较少。基于此,论文设计一种车内环境智能监测与控制系统,实现对车内以及车外氧含量、颗粒物含量、烟雾、车内温度等参数的实时监测,通过对比车内与车外各污染物浓度情况,综合分析与判断,协同车内空调、电动车窗、电动天窗等系统,进行车内环境智能控制,实现更安全健康的车内呼吸环境。
关键词:CO2检测模块;温度检测模块;汽车;传感器
ABSTRACT
While providing unlimited convenience for people’s travel, cars also bring certain harm to people’s health. The vehicle interior environment is often polluted to varying degrees due to various reasons, such as odor pollution of vehicle interior materials and parts, smoke pollution caused by smoking in the vehicle, and exhaust pollution caused by exhaust entering the vehicle. When the concentration of CO, CO2, nitrogen oxides, sulfide, PM2.5 and other harmful substances in the vehicle reaches a certain concentration, it will cause the decline of human thinking ability, headache, and slow reaction, not only endangering health, but also bringing potential traffic accidents. Therefore, it is particularly important to study and control the vehicle interior environment to ensure green and healthy travel. At present, domestic research on vehicle interior environment monitoring mainly focuses on the monitoring of vehicle interior pollutants, but neglects the monitoring and comparison of vehicle exterior environment while monitoring the vehicle interior environment. That is to say, there are relatively few researches on the detection of the internal and external environment of the vehicle and the coordinated control of the internal and external environment of the vehicle. Based on this, the paper designs an intelligent monitoring and control system for the interior environment of the vehicle to realize the real-time monitoring of the oxygen content, particulate content, smoke, interior temperature and other parameters inside and outside the vehicle. By comparing the concentration of pollutants inside and outside the vehicle, comprehensive analysis and judgment, and cooperating with the air conditioning, electric windows, electric sunroof and other systems inside the vehicle, the paper carries out intelligent control of the interior environment of the vehicle to achieve a safer and healthier breathing environment inside the vehicle.
Key Words: CO2 detection module; Temperature detection module; Automobile; sensor.
目 录
1 引言
1.1 选题背景及实际意义
1.2 国内外发展历程
1.3 本论文研究目标与框架
2 系统设计方案
2.1 主要元器件选择
2.1.1 主控芯片方案选择
2.1.2 显示模块方案选择
2.1.3 按键模块方案选择
2.2 整体设计方案
3 硬件设计
3.1 主控电路模块
3.2 DHT11温湿度检测模块电路
3.3 人体热释电红外感应电路模块
3.4 LCD1602显示电路模块
3.5MQ-135气体检测模块电路
3.6 声光报警检测模块电路
3.7 独立按键模块电路
3.8继电器控制模块
3.9 蓝牙(ECB02)
4 系统程序设计
4.1 编程软件介绍
4.2 系统主流程设计
4.3 独立按键
4.4 温湿度检测模块子流程
4.5 红外测温模块子流程
4.6 LCD1602液晶显示子流程
47 A/D模数转换子流程
4.8 蓝牙模块子流程
5 仿真测试
5.1 整体仿真测试图
5.2 参数设置仿真测试
5.3车内环境检测仿真测试
6 实物制作与调试过程
6.1 整体实物测试图
6.2 参数设置实物测试
6.3车内环境检测实物测试
结论
致谢
参考文献
附录
附录一: 原理图
附录二:PCB
附录三:主程序:
购买后可查看具体内容!
答辩PPT
下图为答辩PPT整体框架模板,基本上所有项目的答辩PPT格式都如下所示,但由于部分院校要求不一致,可能有一小部分格式有所变动。

购买后可查看具体内容!