项目编号:mcuclub-jj-038
STM32单片机实物设计简介:
单片机类型:STM32F103C8T6
具体功能:
1、通过DS1302获取时间
2、通过按键可以修改时间,另外,可以添加和删除提醒吃药的时间、手动开关药箱
3、当提醒时间到时,进行语音提醒吃药,自动打开药箱,并通过红外避障管检测是否取药并放回,放回后5s自动关闭药箱
4、通过显示屏显示数据
扩展功能:通过蓝牙模块连接手机端,当吃药时间到时,发送”吃药时间到,请吃药“
实物演示视频:
打开视频声音方法:鼠标放在视频中,点击右下角小喇叭图形即可;视频放大后不清晰,可将鼠标放在视频上,点击“进入哔哩哔哩,观看更高清”
电子版资料介绍视频:
打开视频声音方法:鼠标放在视频中,点击右下角小喇叭图形即可;视频放大后不清晰,可将鼠标放在视频上,点击“进入哔哩哔哩,观看更高清”
电子版实物资料预览

实物图
底板:底板在嘉立创进行打板,为绿色PCB板,两层板,厚度1.2,上下覆铜接地。元器件基本上为插针式,个别降压芯片会使用贴片式。
供电接口:TYPE-C

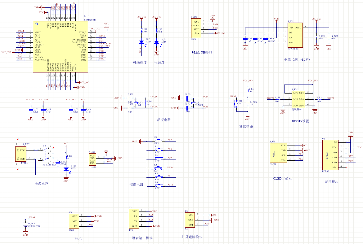
原理图
软件版本:AD2013 (本站提供该软件免费下载链接)
电路连线方式:网络标号连线方式
注意:原理图只是画出了模块的引脚图,而并不是模块的内部结构原理图

PCB图
软件版本:AD2013 (本站提供该软件免费下载链接)
PCB图是由原理图导出,封装很大一部分都是作者自己绘制,不提供封装库,只提供连接好的源文件,可以直接在嘉立创进行打板。两层板,上下覆铜接地。
注意:PCB图中间有一个项目编号,隐藏在单片机底座下,插入单片机后不会看到。如果想截没有项目编号的PCB图,可在PCB源文件中点击删除。另外,如果想在实物PCB板上加自己的信息(比如日期、学号、姓名等),可联系客服。

系统框图
绘制软件:VISIO (本站提供该软件免费下载链接)

软件设计流程
绘制软件:VISIO (本站提供该软件免费下载链接)

开题报告
下图为开题报告整体框架模板,基本上所有项目的开题报告格式都如下所示,但由于部分院校要求不一致,可能有一小部分格式有所变动。

购买后可查看具体内容!
设计说明书
总字数:14000+
摘 要
90后的这代人,每天需要花大量的时间工作,吃饭基本都是外卖解决,随着压力越来越大,身体很容易出现亚健康状态,药品就成为家里常备的必需品之一,但是药品随意摆放会影响人们生活的心情,因此设计一款智能化的收纳箱药箱很有必要;此次设计为了解决该问题,设计一款用户可以通过语音识别控制药箱的开关,通过DS1302获取时间,通过按键可以修改时间,另外,可以添加和删除提醒吃药的时间、手动开关药箱,当提醒时间到时,进行语音提醒吃药,自动打开药箱,并通过红外避障管检测是否取药并放回,放回后5s自动关闭药箱,用户还可以控制药箱中的温湿度处于物品存储适宜的范围之内。该设计可以解决当前用户药品乱放及其摆放位置混乱的问题。
关键词:药箱;DS1302;语音识别;红外避障
Abstract
The post-90s generation needs to spend a lot of time working every day. Eating is basically a takeout solution. With the increasing pressure, the body is prone to sub-health, and medicine has become one of the regular necessities at home. However, the random placement of drugs will affect people’s mood in life, so it is necessary to design an intelligent storage box medicine box; In this design, to solve this problem, the user can control the switch of the medicine box through voice recognition, obtain the time through DS1302, and modify the time by pressing the key. In addition, the user can add and delete the time to remind the user to take medicine, and manually open and close the medicine box. When the reminder time is up, the user can voice remind the user to take medicine, automatically open the medicine box, and detect whether to take medicine and put it back through the infrared obstacle avoidance tube. After putting it back, the medicine box will be automatically closed 5 seconds later, The user can also control the temperature and humidity in the medicine box to be within the appropriate range for storage. The design can solve the problem of disorderly placing and disorderly placing of drugs by current users.
Key words:medicine chest; DS1302;Speech recognition; Infrared obstacle avoidance
目 录
摘要
Abstract
第一章 绪论
1.1 研究背景及实际意义
1.2 研究现状
1.3 研究目标
第二章 系统方案设计
2.1 主要元器件选择
2.1.1 主控芯片方案选择
2.1.2 显示模块方案选择
2.1.3 电机方案选型
2.1.4 红外避障模块方案选择
2.2 整体方案设计
第三章 硬件电路
3.1 主控模块电路
3.2 显示模块电路
OLED显示模块电路
3.3 时钟模块
3.4 舵机模块电路设计
3.5 语音播报模块(TTS)
3.6 红外避障模块电路
3.7 按键模块电路
第四章 系统程序设计
4.1 编程软件介绍
4.2 系统主流程设计
4.3 独立按键
4.4 舵机模块子流通
4.5 蓝牙模块子流程
第五章 实物测试
5.1 整体实物测试图
5.2 上电运行实物测试
5.3 定时检测实物测试
5.4 语音播报实物测试
5.5 药箱开关实物测试
总结
参考文献
致谢
附录
附录一:原理图
附录二:PCB
附录三:主程序
购买后可查看具体内容!
答辩PPT
下图为答辩PPT整体框架模板,基本上所有项目的答辩PPT格式都如下所示,但由于部分院校要求不一致,可能有一小部分格式有所变动。

购买后可查看具体内容!