首页 实物资料 开题报告 设计说明书 答辩PPT

电子版实物资料预览

实物图

底板:底板在嘉立创进行打板,为绿色PCB板,两层板,厚度1.2,上下覆铜接地。元器件基本上为插针式,个别降压芯片会使用贴片式。

供电接口:TYPE-C

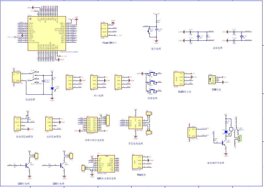
原理图

软件版本:AD2013     (本站提供该软件免费下载链接)

电路连线方式:网络标号连线方式

注意:原理图只是画出了模块的引脚图,而并不是模块的内部结构原理图

PCB图

软件版本:AD2013     (本站提供该软件免费下载链接)

PCB图是由原理图导出,封装很大一部分都是作者自己绘制,不提供封装库,只提供连接好的源文件,可以直接在嘉立创进行打板。两层板,上下覆铜接地。

注意:PCB图中间有一个项目编号,隐藏在单片机底座下,插入单片机后不会看到。如果想截没有项目编号的PCB图,可在PCB源文件中点击删除。另外,如果想在实物PCB板上加自己的信息(比如日期、学号、姓名等),可联系客服。

系统框图

绘制软件:VISIO     (本站提供该软件免费下载链接)

软件设计流程

绘制软件:VISIO     (本站提供该软件免费下载链接)

发表评论

后才能评论

本站所有资源版权均属于原作者所有,这里所提供资源均只能用于参考学习用,请勿直接商用。若由于商用引起版权纠纷,一切责任均由使用者承担。更多说明请参考 VIP介绍。

最常见的情况是下载不完整: 可对比下载完压缩包的与网盘上的容量,若小于网盘提示的容量则是这个原因。这是浏览器下载的bug,建议用百度网盘软件或迅雷下载。 若排除这种情况,可在对应资源底部留言,或联络我们。

对于会员专享、整站源码、程序插件、网站模板、网页模版等类型的素材,文章内用于介绍的图片通常并不包含在对应可供下载素材包内。这些相关商业图片需另外购买,且本站不负责(也没有办法)找到出处。 同样地一些字体文件也是这种情况,但部分素材会在素材包内有一份字体下载链接清单。

如果您已经成功付款但是网站没有弹出成功提示,请联系站长提供付款信息为您处理

源码素材属于虚拟商品,具有可复制性,可传播性,一旦授予,不接受任何形式的退款、换货要求。请您在购买获取之前确认好 是您所需要的资源