项目编号:mcuclub-fz-319
功能介绍:
具体功能:
1、通过DS18B20测得水杯中水温,当温度高于最大值或低于最小值,则进行制冷或加热
2、通过TDS检测水杯中的可溶性电解质容量,当大于设置最大值,语音提醒”杯内水质过高,请更换“
3、通过按键设定定时提醒喝水时间,当时间到后,且温度在设置范围内语音播报,水温合适,注意喝水哦~
4、通过按键设置各阈值、手动开关杯盖、手动加热或制冷
5、通过显示屏显示测量值
仿真演示视频:
打开视频声音方法:鼠标放在视频中,点击右下角小喇叭图形即可;视频放大后不清晰,可将鼠标放在视频上,点击“进入哔哩哔哩,观看更高清”
电子版仿真资料预览

仿真图
仿真软件版本:proteus8.17 (本站提供该软件免费下载链接)
电路连线方式:网络标号连线方式
注意:部分实物元器件仿真中没有,仿真中会用其他工作原理相似的元件代替,这样可能导致实物程序和仿真程序不一样

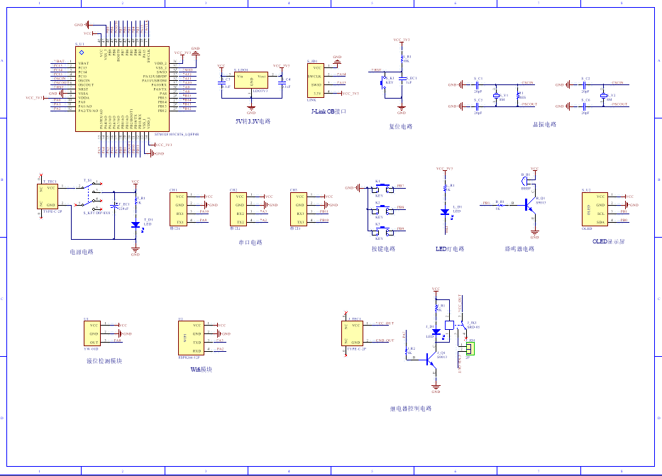
原理图
软件版本:AD2013 (本站提供该软件免费下载链接)
电路连线方式:网络标号连线方式
注意:原理图只是画出了模块的引脚图,而并不是模块的内部结构原理图。另外,仿真资料中不提供PCB源文件,只有实物资料中才有。

系统框图
绘制软件:VISIO (本站提供该软件免费下载链接)

软件设计流程
绘制软件:VISIO (本站提供该软件免费下载链接)

声明:本站所有文章,如无特殊说明或标注,均为本站原创发布。任何个人或组织,在未征得本站同意时,禁止复制、盗用、采集、发布本站内容到任何网站、书籍等各类媒体平台。如若本站内容侵犯了原著者的合法权益,可联系我们进行处理。另外,本站所提供的资源均只能用于学习参考,请勿直接商用或其他方式使用,若由此引起的所有纠纷,一切责任均由使用者承担。