项目编号:mcuclub-hj-015
STM32单片机实物设计简介:
单片机类型:STM32F103C8T6
具体功能:
1、通过防水式DS18B20检测水温,当检测值不在设置的范围内,则声光报警
2、通过PH检测模块检测PH值,当检测值不在设置的范围内,则声光报警
3、通过浑浊度传感器检测浑浊度,当检测值不在设置的范围内,则声光报警
4、通过按键可设置各阈值
5、通过显示屏显示数据
实物演示视频:
打开视频声音方法:鼠标放在视频中,点击右下角小喇叭图形即可;视频放大后不清晰,可将鼠标放在视频上,点击“进入哔哩哔哩,观看更高清”
电子版资料介绍视频:
打开视频声音方法:鼠标放在视频中,点击右下角小喇叭图形即可;视频放大后不清晰,可将鼠标放在视频上,点击“进入哔哩哔哩,观看更高清”
电子版实物资料预览

实物图
底板:底板在嘉立创进行打板,为绿色PCB板,两层板,厚度1.2,上下覆铜接地。元器件基本上为插针式,个别降压芯片会使用贴片式。
供电接口:TYPE-C

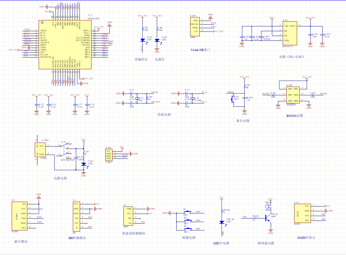
原理图
软件版本:AD2013 (本站提供该软件免费下载链接)
电路连线方式:网络标号连线方式
注意:原理图只是画出了模块的引脚图,而并不是模块的内部结构原理图

PCB图
软件版本:AD2013 (本站提供该软件免费下载链接)
PCB图是由原理图导出,封装很大一部分都是作者自己绘制,不提供封装库,只提供连接好的源文件,可以直接在嘉立创进行打板。两层板,上下覆铜接地。
注意:PCB图中间有一个项目编号,隐藏在单片机底座下,插入单片机后不会看到。如果想截没有项目编号的PCB图,可在PCB源文件中点击删除。另外,如果想在实物PCB板上加自己的信息(比如日期、学号、姓名等),可联系客服。

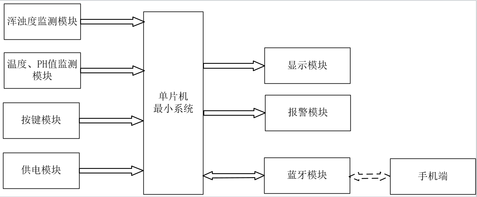
系统框图
绘制软件:VISIO (本站提供该软件免费下载链接)

软件设计流程
绘制软件:VISIO (本站提供该软件免费下载链接)

开题报告
下图为开题报告整体框架模板,基本上所有项目的开题报告格式都如下所示,但由于部分院校要求不一致,可能有一小部分格式有所变动。

购买后可查看具体内容!
设计说明书
总字数:14000+
摘 要
近几年来我国工业飞速发展的同时工业水质污染问题日益突出。水资源是一种重要的自然资源,是一切生命的根基。人类及其他生命的代谢都是以水为基础的,社会各项生产活动同样也离不开水。水资源的质量不仅影响到我们的生活的质量,同样也制约着工业与农业的生产效率。城市内对工业水质污染物排放的实时在线监测存在管控死角。需开发一种具有低功耗快速检测工业水质污染物并能完成实时上传的信息管理系统,帮助政府对工业水质污染物排放进行有效监管。因此提出基于单片机的工业水质污染监测系统设计与实现。采用STM32单片机作为此次设计的主控芯片,通过PH检测模块检测PH值,当检测值不在设置的范围内,则声光报警;通过HZD浑浊度传感器检测浑浊度,当检测值不在设置的范围内,则声光报警;通过按键可设置各阈值;通过显示屏显示数据。通过实物测试,此次设计可以实现对水环境中的PH、浑浊度进行监测,且可以将监测的数据通过蓝牙实时传输到用户的手中,且操作简单,成本较低,因此此次设计具有一定的研究价值和研究意义。
关键词:水质监测;PH值;浑浊度;蓝牙
Abstract
The problem of industrial water pollution has become increasingly prominent in recent years while our country industry develops rapidly. Water resource is an important natural resource and the foundation of all life. The metabolism of human beings and other life is based on water, and the production activities of society are also dependent on water. The quality of water resources not only affects the quality of our lives, but also restricts the production efficiency of industry and agriculture. There is a blind spot in the real-time on-line monitoring of industrial water pollutant discharge in the city. It is necessary to develop an information management system with low power consumption, which can quickly detect industrial water pollutants and complete real-time upload, to help the government to effectively supervise the discharge of industrial water pollutants. Therefore, the design and implementation of industrial water pollution monitoring system based on single chip microcomputer is proposed. STM32 single chip microcomputer is used as the main control chip of this design. The PH value is detected by PH detection module. When the detection value is not in the set range, the sound and light alarm is given. The turbidity is detected by the HZD turbidity sensor. When the detection value is not within the set range, the sound and light alarm is given; Each threshold can be set by pressing the button. Display data through the display screen. Through the physical test, the design can realize the monitoring of PH and turbidity in the water environment, and the monitoring data can be transmitted to the user’s hand in real time through Bluetooth, and the operation is simple and the cost is low, so the design has a certain research value and significance.
Keywords: water quality monitoring; Water temperature; PH value; Turbidity; bluetooth
目 录
摘 要
Abstract
第1章 绪论
1.1 选题背景及实际意义
1.2 国内外发展历程
1.2.1 国外研究现状
1.2.2 国内研究现状
第2章 系统设计方案
2.1 主要元器件选择
2.1.1 主控模块方案选择
2.1.2 检测水温方案选择
2.1.3 显示方案选择
2.2 整体设计方案
第3章 硬件设计
3.1 主控电路模块
3.2 PH检测电路模块
3.3 浑浊度监测电路模块
3.4 OLED显示模块电路
3.5 蓝牙电路模块
3.6 报警提醒电路模块
3.7 独立按键电路模块
第4章 系统程序设计
4.1 编程软件介绍
4.2 系统主流程设计
4.3 独立按键
4.4 蓝牙模块子流程
4.5 OLED显示流程设计
第5章 实物测试
5.1 实物总体设计
5.2 水温检测实物测试
5.3 PH监测实物测试
5.4 浑浊度检测实物测试
5.5 蓝牙测控实物测试
第6章 结论
参 考 文 献
致谢
附录
附录A: 原理图
附录B:PCB
附录C:主程序
购买后可查看具体内容!
答辩PPT
下图为答辩PPT整体框架模板,基本上所有项目的答辩PPT格式都如下所示,但由于部分院校要求不一致,可能有一小部分格式有所变动。

购买后可查看具体内容!