项目编号:mcuclub-jj-017
STM32单片机WIFI版实物设计简介:
单片机类型:STM32F103C8T6
具体功能:
1、通过红外接收头和遥控器,可控制空调
2、遥控器端有一个电源键(“OK”键),控制空调打开和关闭,打开时,默认为制冷模式(电源灯打开)
3、遥控器端有一个模式键(“1”键),控制空调制热或制冷模式(制热有一个温度最小值,制冷有一个温度最大值)
4、遥控器端有一个风速键(“2”键),控制空调风速大小(MX1508控制风扇)
5、遥控器端有一个定时键(“3”键),控制空调定时关闭,每按一次,加30s
6、遥控器端有上下两个键(“↑”键、“↓”键),控制空调设置的温度
7、通过DS18B20测量温度,在制冷模式中,如果温度高于设置最大值,则启动制冷继电器制冷;在制热模式中,如果温度低于设置最小值,则启动制热继电器制热
8、通过显示屏显示测量值及模式等
扩展功能:通过WIFI模块将测量数据发送到手机端,手机端可以模拟遥控器进行控制空调
实物演示视频:
打开视频声音方法:鼠标放在视频中,点击右下角小喇叭图形即可;视频放大后不清晰,可将鼠标放在视频上,点击“进入哔哩哔哩,观看更高清”
电子版资料介绍视频:
打开视频声音方法:鼠标放在视频中,点击右下角小喇叭图形即可;视频放大后不清晰,可将鼠标放在视频上,点击“进入哔哩哔哩,观看更高清”
电子版实物资料预览

实物图
底板:底板在嘉立创进行打板,为绿色PCB板,两层板,厚度1.2,上下覆铜接地。元器件基本上为插针式,个别降压芯片会使用贴片式。
供电接口:TYPE-C

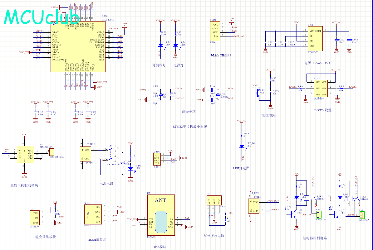
原理图
软件版本:AD2013 (本站提供该软件免费下载链接)
电路连线方式:网络标号连线方式
注意:原理图只是画出了模块的引脚图,而并不是模块的内部结构原理图

PCB图
软件版本:AD2013 (本站提供该软件免费下载链接)
PCB图是由原理图导出,封装很大一部分都是作者自己绘制,不提供封装库,只提供连接好的源文件,可以直接在嘉立创进行打板。两层板,上下覆铜接地。
注意:PCB图中间有一个项目编号,隐藏在单片机底座下,插入单片机后不会看到。如果想截没有项目编号的PCB图,可在PCB源文件中点击删除。另外,如果想在实物PCB板上加自己的信息(比如日期、学号、姓名等),可联系客服。

系统框图
绘制软件:VISIO (本站提供该软件免费下载链接)

软件设计流程
绘制软件:VISIO (本站提供该软件免费下载链接)

购买后可查看具体内容!